欢迎访问伟德线上国际官网!
果蔬 餐厨垃圾处理设备厂家农贸菜市场果蔬尾菜垃圾脱水处理机器设备
全国咨询热线:130 5365 6336
0536-8858088
行业动态
联系我们
伟德线上国际
电话:0536-8858088
手机:130 5365 6336
地址 :山东省潍坊市坊子区南范工业园
行业动态

养殖业粪便如何变成有机肥的方法

时间:2019-08-11 查看:511

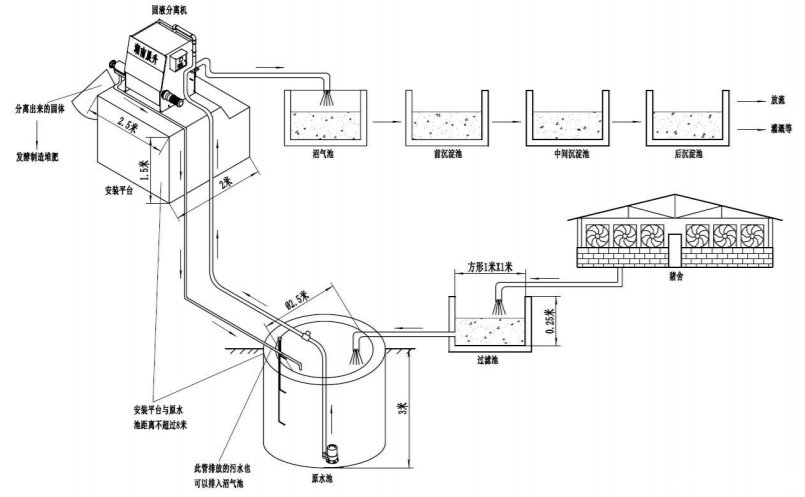
 随之养殖行业的飞速发展,畜禽养殖粪污慢慢增加,假如失去合理解决,将会环境污染,危害百姓。动物粪便处理站解决机器设备将禽畜粪污解决后变为有机肥料,保持了栽种、养殖集成化和综合利用运用,破译了养殖粪污整治难点。 【猪粪猪、猪粪、等禽畜粪便解决机器设备】

 解决大农场禽畜粪便的沤肥机器设备

 以50很多年积淀的工作经验和统计数据为基本,依据每个大农场的详细情况作出*优化的禽畜粪便解决计划方案。

 运用远程监控系统可防范于未然。

 机器设备使用方便,占地小(机器设备基本占地面积65平方米)。

 可简易脱臭(密闭式沤肥机器设备的优点)。

 禽畜粪便解决工作能力(给出为标准值,具体解决工作能力随时节和地区进而差别)

在线客服
联系方式

热线电话

130 5365 6336

上班时间

周一到周五

公司电话

0536-8858088

微信扫码联系
线
Baidu
1946伟德官方网站